传统来说,一部可支持打电话、发短信、网络服务、APP 应用的手机,一般包含五个部分部分:射频部分、基带部分、电源管理、外设、软件。
射频部分:一般是信息发送和接收的部分;
基带部分:一般是信息处理的部分;
电源管理:一般是节电的部分,由于手机是能源有限的设备,所以电源管理十分重要;
外设:一般包括 LCD,键盘,机壳等;
软件:一般包括系统、驱动、中间件、应用。
在手机终端中,最重要的核心就是射频芯片和基带芯片。射频芯片负责射频收发、频率合成、功率放大;基带芯片负责信号处理和协议处理。那么射频芯片和基带芯片是什么关系?
射频芯片和基带芯片的关系
先讲一下历史,射频(Radio Frenquency)和基带(Base Band)皆来自英文直译。其中射频最早的应用就是 Radio——无线广播(FM/AM),迄今为止这仍是射频技术乃至无线电领域最经典的应用。
基带则是 band 中心点在 0Hz 的信号,所以基带就是最基础的信号。有人也把基带叫做“未调制信号”,曾经这个概念是对的,例如 AM 为调制信号(无需调制,接收后即可通过发声元器件读取内容)。
但对于现代通信领域而言,基带信号通常都是指经过数字调制的,频谱中心点在 0Hz 的信号。而且没有明确的概念表明基带必须是模拟或者数字的,这完全看具体的实现机制。
言归正传,基带芯片可以认为是包括调制解调器,但不止于调制解调器,还包括信道编解码、信源编解码,以及一些信令处理。而射频芯片,则可看做是最简单的基带调制信号的上变频和下变频。
所谓调制,就是把需要传输的信号,通过一定的规则调制到载波上面让后通过无线收发器(RF Transceiver)发送出去的工程,解调就是相反的过程。
工作原理与电路分析
射频简称 RF 射频就是射频电流,是一种高频交流变化电磁波,为是 Radio Frequency 的缩写,表示可以辐射到空间的电磁频率,频率范围在 300KHz~300GHz 之间。每秒变化小于 1000 次的交流电称为低频电流,大于 10000 次的称为高频电流,而射频就是这样一种高频电流。高频(大于 10K);射频(300K-300G)是高频的较高频段;微波频段(300M-300G)又是射频的较高频段。射频技术在无线通信领域中被广泛使用,有线电视系统就是采用射频传输方式。
射频芯片指的就是将无线电信号通信转换成一定的无线电信号波形, 并通过天线谐振发送出去的一个电子元器件,它包括功率放大器、低噪声放大器和天线开关。射频芯片架构包括接收通道和发射通道两大部分。

射频电路方框图
接收电路的结构和工作原理
接收时,天线把基站发送来电磁波转为微弱交流电流信号经滤波,高频放大后,送入中频内进行解调,得到接收基带信息(RXI-P、RXI-N、RXQ-P、RXQ-N);送到逻辑音频电路进一步处理。
该电路掌握重点:1、接收电路结构;2、各元件的功能与作用;3、接收信号流程。
1. 电路结构
接收电路由天线、天线开关、滤波器、高放管(低噪声放大器)、中频集成块(接收解调器)等电路组成。早期手机有一级、二级混频电路,其目的把接收频率降低后再解调(如下图)。

接收电路方框图
2. 各元件的功能与作用
1)、手机天线:
结构:(如下图)
由手机天线分外置和内置天线两种;由天线座、螺线管、塑料封套组成。

作用:a)、接收时把基站发送来电磁波转为微弱交流电流信号。b)、发射时把功放放大后的交流电流转化为电磁波信号。
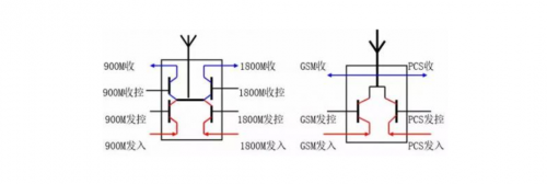
2)、天线开关:
结构:(如下图)
手机天线开关(合路器、双工滤波器)由四个电子开关构成。

作用:a)、完成接收和发射切换; b)、完成 900M/1800M 信号接收切换。
逻辑电路根据手机工作状态分别送出控制信号(GSM-RX-EN;DCS- RX-EN;GSM-TX-EN;DCS- TX-EN),令各自通路导通,使接收和发射信号各走其道,互不干扰。
由于手机工作时接收和发射不能同时在一个时隙工作(即接收时不发射,发射时不接收)。因此后期新型手机把接收通路的两开关去掉,只留两个发射转换开关;接收切换任务交由高放管完成。
3)、滤波器:
结构:手机中有高频滤波器、中频滤波器。
作用:滤除其他无用信号,得到纯正接收信号。后期新型手机都为零中频手机;因此,手机中再没有中频滤波器。
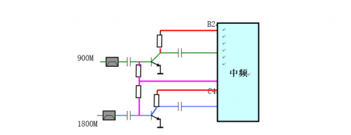
4)、高放管(高频放大管、低噪声放大器):
结构:手机中高放管有两个:900M 高放管、1800M 高放管。都是三极管共发射极放大电路;后期新型手机把高放管集成在中频内部。

高频放大管供电图
作用:a)、对天线感应到微弱电流进行放大,满足后级电路对信号幅度的需求。b)、完成 900M/1800M 接收信号切换。
理:a)、供电:900M/1800M 两个高放管的基极偏压共用一路,由中频同时路提供;而两管的集电极的偏压由中频 CPU 根据手机的接收状态命令中频分两路送出;其目的完成 900M/1800M 接收信号切换。
b)、原理:经过滤波器滤除其他杂波得到纯正 935M-960M 的接收信号由电容器耦合后送入相应的高放管放大后经电容器耦合送入中频进行后一级处理。
5)、中频(射频接囗、射频信号处理器):
结构:由接收解调器、发射调制器、发射鉴相器等电路组成;新型手机还把高放管、频率合成、26M 振荡及分频电路也集成在内部(如下图)。

作用:
a)、内部高放管把天线感应到微弱电流进行放大;
b)、接收时把 935M-960M(GSM)的接收载频信号(带对方信息)与本振信号(不带信息)进行解调,得到 67.707KHZ 的接收基带信息;
c)、发射时把逻辑电路处理过的发射信息与本振信号调制成发射中频;
d)、结合 13M/26M 晶体产生 13M 时钟(参考时钟电路);
e)、根据 CPU 送来参考信号,产生符合手机工作信道的本振信号。
3. 接收信号流程
手机接收时,天线把基站发送来电磁波转为微弱交流电流信号,经过天线开关接收通路,送高频滤波器滤除其它无用杂波,得到纯正 935M-960M(GSM)的接收信号,由电容器耦合送入中频内部相应的高放管放大后,送入解调器与本振信号(不带信息)进行解调,得到 67.707KHZ 的接收基带信息(RXI-P、RXI-N、RXQ-P、RXQ-N);送到逻辑音频电路进一步处理。
发射电路的结构和工作原理
发射时,把逻辑电路处理过的发射基带信息调制成的发射中频,用 TX-VCO 把发射中频信号频率上变为 890M-915M(GSM)的频率信号。经功放放大后由天线转为电磁波辐射出去。
该电路掌握重点:(1)、电路结构;(2)、各元件的功能与作用;(3)、发射信号流程。
1. 电路结构
发射电路由中频内部的发射调制器、发射鉴相器;发射压控振荡器(TX-VCO)、功率放大器(功放)、功率控制器(功控)、发射互感器等电路组成。(如下图)

发射电路方框图
2. 各元件的功能与作用
1)、发射调制器:
结构:发射调制器在中频内部,相当于宽带网络中的 MOD。
作用:发射时把逻辑电路处理过的发射基带信息(TXI-P;TXI-N;TXQ-P;TXQ-N)与本振信号调制成发射中频。
2)、发射压控振荡器(TX-VCO):
结构:发射压控振荡器是由电压控制输出频率的电容三点式振荡电路;在生产制造时集成为一小电路板上,引出五个脚:供电脚、接地脚、输出脚、控制脚、900M/1800M 频段切换脚。当有合适工作电压后便振荡产生相应频率信号。
作用:把中频内调制器调制成的发射中频信号转为基站能接收的 890M-915M(GSM)的频率信号。
原理:众所周知,基站只能接收 890M-915M(GSM)的频率信号,而中频调制器调制的中频信号(如三星发射中频信号 135M)基站不能接收的,因此,要用 TX-VCO 把发射中频信号频率上变为 890M-915M(GSM)的频率信号。
当发射时,电源部分送出 3VTX 电压使 TX-VCO 工作,产生 890M-915M(GSM)的频率信号分两路走:a)、取样送回中频内部,与本振信号混频产生一个与发射中频相等的发射鉴频信号,送入鉴相器中与发射中频进行较;若 TX-VCO 振荡出频率不符合手机的工作信道,则鉴相器会产生 1-4V 跳变电压(带有交流发射信息的直流电压)去控制 TX-VCO 内部变容二极管的电容量,达到调整频率准确性目的。b)、送入功放经放大后由天线转为电磁波辐射出去。
从上看出:由 TX-VCO 产生频率到取样送回中频内部,再产生电压去控制 TX-VCO 工作;刚好形成一个闭合环路,且是控制频率相位的,因此该电路也称发射锁相环电路。
3)、功率放大器(功放):
结构:目前手机的功放为双频功放(900M 功放和 1800M 功放集成一体),分黑胶功放和铁壳功放两种;不同型号功放不能互换。
作用:把 TX-VCO 振荡出频率信号放大,获得足够功率电流,经天线转化为电磁波辐射出去。
值得注意:功放放大的是发射频率信号的幅值,不能放大他的频率。
功率放大器的工作条件:
a)、工作电压(VCC):手机功放供电由电池直接提供(3.6V);
b)、接地端(GND):使电流形成回路;
c)、双频功换信号(BANDSEL):控制功放工作于 900M 或工作于 1800M;
d)、功率控制信号(PAC):控制功放的放大量(工作电流);
e)、输入信号(IN);输出信号(OUT)。
4)、发射互感器:
结构:两个线径和匝数相等的线圈相互靠近,利用互感原理组成。
作用:把功放发射功率电流取样送入功控。
原理:当发射时功放发射功率电流经过发射互感器时,在其次级感生与功率电流同样大小的电流,经检波(高频整流)后并送入功控。
5)、功率等级信号:
所谓功率等级就是工程师们在手机编程时把接收信号分为八个等级,每个接收等级对应一级发射功率(如下表),手机在工作时,CPU 根据接的信号强度来判断手机与基站距离远近,送出适当的发射等级信号,从而来决定功放的放大量(即接收强时,发射就弱)。
附功率等级表:

6)、功率控制器(功控):
结构:为一个运算比较放大器。
作用:把发射功率电流取样信号和功率等级信号进行比较,得到一个合适电压信号去控制功放的放大量。
原理:当发射时功率电流经过发射互感器时,在其次级感生的电流,经检波(高频整流)后并送入功控;同时编程时预设功率等级信号也送入功控;两个信号在内部比较后产生一个电压信号去控制功放的放大量,使功放工作电流适中,既省电又能长功放使用寿命(功控电压高,功放功率就大)。
3. 发射信号流程
当发射时,逻辑电路处理过的发射基带信息(TXI-P;TXI-N;TXQ-P;TXQ-N),送入中频内部的发射调制器,与本振信号调制成发射中频。而中频信号基站不能接收的,要用 TX-VCO 把发射中频信号频率上升为 890M-915M(GSM)的频率信号基站才能接收。当 TX-VCO 工作后,产生 890M-915M(GSM)的频率信号分两路走:
a)、一路取样送回中频内部,与本振信号混频产生一个与发射中频相等的发射鉴频信号,送入鉴相器中与发射中频进行较;若 TX-VCO 振荡出频率不符合手机的工作信道,则鉴相器会产生一个 1-4V 跳变电压去控制 TX-VCO 内部变容二极管的电容量,达到调整频率目的。
b)、二路送入功放经放大后由天线转化为电磁波辐射出去。为了控制功放放大量,当发射时功率电流经过发射互感器时,在其次级感生的电流,经检波(高频整流)后并送入功控;同时编程时预设功率等级信号也送入功控;两个信号在内部比较后产生一个电压信号去控制功放的放大量,使功放工作电流适中,既省电又能长功放使用寿命。
国产射频芯片产业链现状
在射频芯片领域,市场主要被海外巨头所垄断,海外的主要公司有 Qrovo,skyworks 和 Broadcom;国内射频芯片方面,没有公司能够独立支撑 IDM 的运营模式,主要为 Fabless 设计类公司;国内企业通过设计、代工、封装环节的协同,形成了“软 IDM“”的运营模式。

射频芯片设计方面,国内公司在 5G 芯片已经有所成绩,具有一定的出货能力。射频芯片设计具有较高的门槛,具备射频开发经验后,可以加速后续高级品类射频芯片的开发。目前,具备射频芯片设计的公司有紫光展锐、唯捷创芯、中普微、中兴通讯、雷柏科技、华虹设计、江苏钜芯、爱斯泰克等。
射频芯片代工方面,台湾已经成为全球最大的化合物半导体芯片代工厂,台湾主要的代工厂有稳懋、宏捷科和寰宇,国内仅有三安光电和海威华芯开始涉足化合物半导体代工。三安光电是国内目前国内布局最为完善,具有 GaAs HBT/pHEMT 和 GaNSBD/FET 工艺布局,目前在于国内 200 多家企事业单位进行合作,有 10 多种芯片通过性能验证,即将量产。海威华芯为海特高新控股的子公司,与中国电科 29 所合资,目前具有 GaAs 0.25um PHEMT 工艺制程能力。
射频芯片封装方面,5G 射频芯片一方面频率升高导致电路中连接线的对电路性能影响更大,封装时需要减小信号连接线的长度;另一方面需要把功率放大器、低噪声放大器、开关和滤波器封装成为一个模块,一方面减小体积另一方面方便下游终端厂商使用。为了减小射频参数的寄生需要采用 Flip-Chip、Fan-In 和 Fan-Out 封装技术。
Flip-Chip 和 Fan-In、Fan-Out 工艺封装时,不需要通过金丝键合线进行信号连接,减少了由于金丝键合线带来的寄生电效应,提高芯片射频性能;到 5G 时代,高性能的 Flip-Chip/Fan-In/Fan-Out 结合 Sip 封装技术会是未来封装的趋势。

Flip-Chip/Fan-In/Fan-Out 和 Sip 封装属于高级封装,其盈利能力远高于传统封装。

